1. 黄色视频软件大全,黄色视频网站APP,黄色视频免费观看下载,黄色视频污在线观看网站

          網站地圖
        2. LEwin樂玩靈犀X1 OmniPicker 產品手冊

          發布時間:2024-11-14 00:00:00

          1.安全須知

          1. 了解產品:在使用該產品之前,請仔細閱讀產品手冊,了解產品的功能、操作方式以及安全注意事項。

          2. 遵循使用要求:確保機器在適宜環境中進行使用,避免過高或過低的溫度、潮濕環境等。

          3. 電源安全:操作前確保所有電纜、插頭、插座完好無損。遇到異常情況(如短路、過熱等)時立即斷開電源。

          4. 定期檢查:定期進行維護和檢查,確保機器的組件如電機、電源等正常運行,避免因老化或損壞導致的危險。

          5. 防止誤用:確保機器不會用於任何不當、危險或法律禁止的場景。


          2.產品簡介


          2.1 產品概述(更新時間:2024.12.27)

          LEwin樂玩靈犀X1 OmniPicker是一款自適應的通用夾爪。融合了不同模態的夾爪設計的優點,隻用一個主動自由度就可以實現各種不同形狀物體的抓取,而且非常輕便,重量隻有430g左右。

          OmniPicker用途多樣,非常適合用於機器人和各種機械臂的抓取,除了人形機器人,工業臂、協作臂都能用,黄色视频软件大全提供多種軟件通信協議開發接口。此外夾爪還帶主動力控,不論是用於數據采集,還是任務作業都有很好的效果。

          1.png



          2.2 主要特性

          超低BOM成本

           自適應模式&夾持力

          支持夾持力自鎖

          前饋力控

          驅動內置


          2.3 產品參數

          LEwin樂玩靈犀X1 OmniPicker關鍵產品參數典型值如下

          參數

          典型值

          產品重量

          0.43kg

          最大夾持力

          30N

          最大推薦負載1.5kg

          最大行程

          120mm

          打開/閉合時間

          0.7s

          重複定位精度

          ±0.05mm

          通信協議

          CAN、CANFD、RS485、串口

          額定工作電壓

          24V DC




          3.產品安裝說明

          3.1 裝箱清單

          1. OmniPicker*1

          2. CANFD配線*1


          3.2 靈犀X1組件作業說明

          在購買的LEwin樂玩靈犀X1通用人形套餐中準備如下物料,並自備如下工具


          序號

          物料名稱

          數量

          1

          OmniPicker

          1

          2

          超短頭內六角螺栓M3x6

          3

          3

          後蓋

          1

          4

          手轉接支架

          1

          5

          圓柱頭內六角螺絲M4x8

          4

          6

          手鏈接支架

          1


          序號

          工具名稱

          型號/規格

          1

          內六角扳手

          H2

          2

          內六角扳手

          H2.5

          3

          內六角扳手

          H3


          按以下步驟完成靈犀X1 OmniPicker的組裝

          STEP1:如圖1,將OmniPicker底部圓周4顆沉頭內六角螺絲M2.5x8用H2內六角扳手取下後得到後蓋;

          111.jpg



          STEP2:如圖2,用H2.5內六角扳手將3顆超短頭內六角螺絲M3x6擰入後蓋,固定在手轉接支架上;

          222.png


          STEP3:如圖3,用H2內六角扳手將第1步拆下的4顆沉頭內六角螺絲M2.5x8裝回夾爪上;

          333.png



          STEP4:如圖4,用H3內六角扳手將4顆圓柱頭內六角螺絲M4x8把夾爪固定在手鏈接支架上;

          444.png



          STEP5:左右夾爪按照同樣的方式安裝,裝完後夾爪寬手指均靠身體外側;

          STEP6:若拿到的夾爪在STEP1拆除螺絲時阻力很大則可能螺絲固定時有螺紋膠,須熱風槍加熱後拆除;

          STEP7:插入夾爪線纜。

          NOTE:後蓋和手轉接支架固定時注意安裝方向


          3.3 使用其他機械臂(更新日期:2024.12.16)

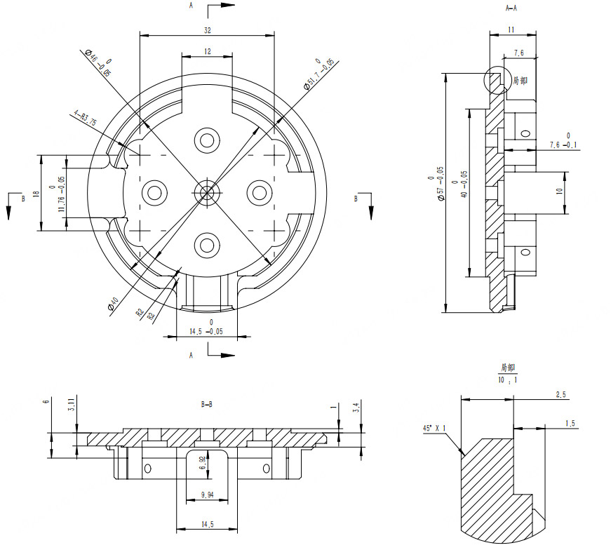
          用戶如將OmniPicker接到其他機械臂上,可參考如下安裝接口圖紙自行設計轉接件,並按照3.2 靈犀X1組件作業說明 完成組裝。


          1731570018455666.jpg



          4.產品尺寸信息

          4.1 外部尺寸圖

          如下展示了OmniPicker打開和閉合狀態下的外部尺寸


          1731570188389714.png

          000.png




          5.電氣接口互聯(更新日期:2025年1月14日)


          5.1 6 PIN接口定義

          LEwin樂玩靈犀X1 OmniPicker對外的電氣接口使用的是間距為1.25mm的6 PIN帶鎖扣的插座,

          1. 如夾爪版本號為20,即控製板中紅框中為電阻焊盤,其接口引腳定義如下表所示:


          序號

          PIN定義

          數量

          1

          VIN

          1、2腳用作電源輸入,電壓不超過24V DC。
          2

          VIN

          3

          CAN_H

          UART2_TX或RS485_B或CAN總線-高。

          4

          CAN_L

          UART2_RX或RS485_A或CAN總線-低。

          5

          GND

          5、6腳用作電源的GND。
          6

          GND


                  2.如夾爪版本號為30,即控製板中紅框為撥碼開關,其接口引腳定義如下表所示:

          序號

          PIN定義

          數量

          1

          VIN

          1、2腳用作電源輸入,電壓不超過24V DC。
          2

          VIN

          3

          CAN_L

          UART2_RX或RS485_B或CAN總線-低。

          4

          CAN_H

          UART2_TX或RS485_A或CAN總線-高。

          5

          GND

          5、6腳用作電源的GND。
          6

          GND


          注:可通過夾爪包裝或者機身底部的14位SN碼區分兩種夾爪, 區分方式如下,

          SN第6、7位為夾爪版本號,有20和30兩種,

          X1 0 06 20 XXXXXXX               X1 0 06 30 XXXXXXX

          兩種夾爪差異點為PCBA,具體見 5.2 通信方式選擇



          5.2通信方式選擇

          打開機器後蓋,可根據下圖中紅框標出的內容區分兩種夾爪PCBA狀態,進而采用不同的操作方式。

          1. 如夾爪版本號為20,即控製板中紅框中為電阻焊盤,則通過跳線電阻的方式選擇相應的通信方式。跳線電阻默認焊接在CAN/CANFD上。如需切換到其他通信方式則對應PCBA絲印,將原CAN/CANFD的跳線電阻拆除後焊接到相應的通信接口電阻焊盤上。RS485焊接紅框上方兩個電阻,UART則焊接紅框下方兩個電阻。


          1.png


          2. 如夾爪版本號為30,即控製板中紅框為撥碼開關,則按照如下操作方式。

          a. 默認為CAN/CANFD,3和4引腳為ON的狀態,其他引腳處於OFF狀態。

          b. 如果需要切換到RS485, 則1和2引腳撥到ON的狀態,其他引腳恢複OFF狀態。

          c.如果需要切換到UART,則5和6引腳撥到ON的狀態,其他引腳恢複OFF狀態。


          2.png


          3.在PCB的背麵焊有一顆120Ω的終端電阻,需要根據使用場景來決定是否保留,電阻位置見下圖紅框內部的R47。

          ○ 當使用 CAN/CANFD/RS485 通信方式時,需要保留該電阻,出廠默認焊接

          ○ 當使用 UART - TTL 通信方式時,需要手動拆除該電阻


          3.png

           

          6.通信接口及協議 

          OmniPicker同時配備了多種通信接口,用於適配不同的工作環境。

          一般配置步驟如下:

          a. 先根據 5.電氣接口互聯 中的說明選擇對應的通信接口,默認為CAN/CANFD

          b. 通過USB連接上位機配置夾爪參數

          c. 將夾爪接入對應的硬件係統中



          6.1 LED狀態指示


          LED

          含義

          白色閃爍

          失能狀態

          綠色常亮

          使能狀態(默認上電自使能)

          紅色常亮

          錯誤狀態

          藍色常亮

          電機校準中(出廠默認校準完畢)


          6.2上位機控製(更新日期:2025年1月14日)

          上位機可以通過命令行顯式的更改參數,在第一次使用時建議充分了解其配置參數。


          6.2.1 使用方法

          準備一台Windows係統的電腦,並下載上位機軟件REF-CLI v1.0.3.exe。

          確保夾爪的行程中沒有障礙物後,將夾爪上電。若一切正常,夾爪會自動閉合以尋找零位,若未能閉合則需停止使用,檢查夾爪運動是否流暢。

          用 USB-C 數據線將夾爪連接至電腦,並打開上位機軟件。等待上位機識別成功後,會有如下顯示:


          22.png


          此時,編號為 000032843334 的設備在上位機中的索引名為 ref0 。

          在上位機中直接鍵入 ref0 並敲擊回車,會顯示當前夾爪的基本信息。根據下圖所示,當前夾爪的固件版本為 1.3.4,CAN總線ID為8。


          4.png


          6.2.2 更改CAN-ID

          ref0.can_node_id 代表CAN總線的節點ID。可以直接查看其數值,也可以使用 = 進行賦值。執行以下命令。

           

          ref0.can_node_id=8    // CAN ID設置為8


          44.png


          所有的參數變更,都需要調用 save_config() 方法進行保存,而該操作需要在 失能 狀態下進行。

           

          ref0.motor.request_state(0)    // 先將夾爪 失能, 0代表失能,1代表使能
           
              ref0.save_config()             // 保存所有參數



          55.png

          注:所有參數變更,都在保存並重新上電後生效。



          6.2.3 控製夾爪運動

          1. 夾爪重新上電。(默認上電自使能)

          2. 等待夾爪自動閉合。

          3. 連接上位機,並調用 set_pos(x) 方法設置其位置,其中x為開合百分比,範圍 0.0 - 1.0,0為閉合,1為全部張開。


          Bash

          ref0.motor.ctrl.set_pos(0.5) // 將夾爪運動至行程50%處。




          6.3 CAN/CANFD 通信協議(更新日期:2024.12.27)

          當夾爪使用CANFD進行通信時,波特率為 仲裁域1M(80%采樣點) + 數據域5M(75%采樣點),同時兼容波特率為1M(80%采樣點)的CAN協議。

          注:CAN協議固件版本不低於 3.3.0。


          6.3.1 下行控製

          控製幀定義如下所示。

          CAN ID

          DLCD0D1D2D3D4D5D6

          D7

          can_node_id

          8ReservedPos CmdForce CmdVel CmdAcc CmdDec CmdReserved

          Reserved


          • ID :夾爪的下行控製ID,對應 ref0.can_node_id

          • Reserved : 保留數據,寫0即可

          • Pos Cmd : 目標位置,數值範圍 0 - FF,0為夾緊,FF為完全張開

          • Force Cmd : 目標力矩,數值範圍 0 - FF,FF為最大力矩

          • Vel Cmd : 目標速度,數值範圍 0 - FF,FF為最大速度

          • Acc Cmd : 目標加速度,數值範圍 0 - FF,FF為最大加速度

          •  Dec Cmd : 目標減速度,數值範圍 0 - FF,FF為最大減速度


          如控製夾爪運行至 50%行程處,其他參數可以全部給到最大值:

          發送報文  00 7F FF FF FF FF 00 00


          6.3.2 上行狀態

          上電並使能成功後,每當夾爪收到一次控製指令,會立即上報一幀狀態數據。狀態幀定義如下所示。


          CAN ID

          DLCD0D1D2D3D4D5D6

          D7

          can_node_id

          8Fault CodeStatePosVelForceReservedReserved

          Reserved


          •  ID :夾爪的上行報文ID,對應 ref0.can_node_id

          •  Fault Code : 錯誤代碼,含義如下


          Code

          含義

          00

          無故障

          01

          過溫警報

          02

          超速警報

          03

          初始化故障警報

          04

          超限檢測警報

          •  State : 當前狀態,含義如下


          Code

          含義

          00

          已達到目標位置

          01

          夾爪移動中

          02

          夾爪堵轉

          03

          物體掉落


          • Pos : 當前位置,意義同 Pos Cmd

          • Vel : 當前速度,意義同 Vel Cmd

          • Force : 當前力矩,意義同 Force Cmd

          • Reserved:預留位。D5-D7三字節數據會直接複製發送的數據包,可自行用作校驗,也可無視。


          6.4 串口/485 通信協議


          當夾爪使用 串口 TTL 或 485 進行通信時,波特率需要更改為 115200@8N1(8bit數據位,0校驗位,1停止位)。

          注:串口總線也支持串行鏈接,節點ID 複用 can_node_id。固件版本不低於 3.3.2。


          6.4.1 TTL/485 模式切換

          使用USB-C數據線將夾爪連接至PC,打開上位機,輸入ref0並敲擊回車,查看 rs485_mode 字段的值。

          • 若使用TTL方式通信,將 rs485_mode 置為 0 並進行保存。注:背部終端電阻需要拆除。

          ref0.rs485_mode = 0  // 關閉 485模式,使能 TTL


          ref0.motor.request_state(0)  // 失能
          ref0.save_config()           // 保存配置

          • 若使用RS485方式通信,將 rs485_mode 置為1並進行保存

          ref0.rs485_mode = 1  // 打開 485模式,關閉 TTL

          ref0.motor.request_state(0)  // 失能
          ref0.save_config()           // 保存配置

          保存並重啟後生效。



          6.4.2 下行控製


          控製幀定義如下所示,一幀12字節。

          D0

          D1

          D2

          D3

          D4

          D5

          D6

          D7

          D8

          D9

          D10

          D11

          Frame Head

          ID

           Reserved

           Pos Cmd

          Force Cmd

          Vel Cmd

          Acc Cmd

          Dec Cmd

          Reserved

          Reserved

          CheckSum


          • Frame Head:幀頭,0x4141,共2字節

          • ID: 複用 can_node_id

          • D3 - D10 : 與CAN總線下行協議 D0 - D7 定義相同

          • CheckSum : D2 - D10 的數據和校驗,計算方法請參考下方Python代碼


          def checksum(buf) -> int:
                ret = 0
                for i in buf:
                    ret += i
                return (~ret) & 0xff

           

          如控製夾爪運行至 50%行程處,假設ID為1,其他參數全部給到最大值:

          發送數據 41 41 01 00 7F FF FF FF FF 00 00 83


          6.4.3 上行狀態


          上電並使能成功後,每當夾爪收到一次控製指令,會立即上報一幀狀態數據。狀態幀定義如下所示,一幀12字節。


          D0

          D1

          D2

          D3

          D4

          D5

          D6

          D7

          D8

          D9

          D10

          D11

          Frame Head

          ID

          Fault Code

          State

          Pos

          Vel

          Force

          Reserved

          Reserved

          Reserved

          CheckSum


          • Frame Head:幀頭,0x4141,共2字節

          • ID: 複用 can_node_id

          • D3 - D10:與CAN總線上行協議 D0 - D7 定義相同

          • CheckSum:計算方法同下行協議,校驗範圍為 D2 - D10



          6.5 固件升級


          6.5.1 升級方法


          1.夾爪上電連接PC,並打開 REF-CLI 上位機,確保設備已正常連接並初始化。


          圖片2.png


          2.將夾爪控製至0.5行程,為校準做好準備。執行命令後,觀察夾爪,確認已經張開至50%。


          圖片3.png


          注:此步驟非常重要,請嚴格根據說明執行。


          3.上位機中輸入升級指令並等待進度結束,其中 path_to_firmware_file 是固件在係統中的絕對路徑,此處以3.3.0版本為例。


          ota(ref0, r"path_to_firmware_file") 


          圖片4.png


          注:升級過程中請注意不要操作或者挪動夾爪,以免導致USB通信異常。


          4.升級完成後,終端中會重新出現 “恢複鏈接 REF XXX” 的提示。

          注:若升級完成後,夾爪自動閉合,請跳過此步驟,直接前往5

          觀察LED指示燈,等待白燈開始閃爍後,輸入校準命令。


          ref0.motor.request_state(2)


          圖片5.png


          此時LED由白色閃爍變為藍色常亮,並且夾爪會開始慢速運動,此時不要操作夾爪,等待校準完成。

          當校準成功後,夾爪會發出聲音,並且LED由藍色常亮再次變回白色閃爍。


          注:在執行校準之前,若夾爪未能張開或已經無法控製,請按以下步驟手動張開夾爪。

          a.拔掉電源以及所有連接線;

          b.手動拆掉後蓋,如下圖;

          c.手動拆掉控製板上的4個十字螺絲,如下圖;

          d.將控製板掀起,露出磁鐵,注意掀起過程中控製板的3根焊線不能斷開,如下圖;

          e.手動逆時針旋轉磁鐵支架,直至OmniPicker張開約50%的行程,如下圖;

          f. 複將控製板裝回,鎖緊4個十字螺絲;

          g.蓋上後蓋,鎖緊螺絲。


          1736826807364271.png


          5. 夾爪重新上電,自動開機且閉合,升級完成。


          圖片6.png


          6. 若升級失敗,可以使用 flash_app命令重新寫入文件。

          flash_app(r"PATH")  // PATH是升級文件在係統中的絕對路徑

          10.jpg

          注:使用該命令的REF-CLI 版本不低於1.0.3。


          6.5.2 固件發布

          版本

          日期

          固件

          備注

          3.3.0

          2024.12.26

          [OmniPicker-fw-ota-v330.bin]

          1.           新增 串口通信支持(485

          2.           新增   CAN協議報文支持

          3.3.3

          2025.1.10

          [OmniPicker-fw-ota-v333.bin]

          1.           新增 串口通信支持(TTL



          7.其他(更新日期:2024.12.16)

          本手冊基於OmniPicker 硬件Ver1.2,軟件 Ver3.2.8編寫。

          其他用戶手冊中未注明事項,請查閱LEwin樂玩官網,或聯係LEwin樂玩服務人員獲取信息。


          8. 附錄

          請使用ROS2 Humble加載夾爪的URDF文件。

          [robot_description.zip]


          網站地圖