1. 黄色视频软件大全,黄色视频网站APP,黄色视频免费观看下载,黄色视频污在线观看网站

          網站地圖
        2. LEwin樂玩靈犀X1 PowerFlow R係列執行器產品手冊

          發布時間:2025-01-14 16:12:44

          1. 安全須知


          · 了解產品:在使用該產品之前,請仔細閱讀產品手冊,了解產品的功能、操作方式以及安全注意事項。

          · 遵循使用要求:確保機器在適宜環境中進行使用,避免過高或過低的溫度、潮濕環境等。

          · 電源安全:操作前確保所有電纜、插頭、插座完好無損。遇到異常情況(如短路、過熱等)時立即斷開電源。

          · 定期檢查:定期進行維護和檢查,確保機器的組件如電機、電源等正常運行,避免因老化或損壞導致的危險。

          · 防止誤用:確保機器不會用於任何不當、危險或法律禁止的場景。



          2. 產品簡介

          2.1 產品概述

          LEwin樂玩靈犀X1 PowerFlow R係列執行器包含三款,分別為 PowerFlow R86-3, PowerFlow R86-2, PowerFlow R52。它們通過高度集成一體化的設計,將減速器、電機、電機驅動器進行整合優化,各模塊結構緊湊,便於安裝拆卸。

          其中PowerFlow R86-3和R86-2 電機都采用了經典分數槽配合,選取最優的極槽配合,有效降低了齒槽轉矩幅值和轉矩波動,在繞組上,采用了集中式繞組,提高了槽滿率和轉矩密度。減速方式采用行星減速器,PowerFlow R86-3采用了三級減速比(48:1),而PowerFlow R86-2則采用了二級減速比(16:1)。

          27.png

          PowerFlow R86-3執行器

          28.png


           PowerFlow R86-2執行器


          PowerFlow R52減速方式也為行星減速器,采用了二級減速比(36:1)

          29.png

           PowerFlow R52執行器

          R係列三款執行器都具有很高的承載能力和壽命;同時自研了高集成的驅動方案,雙編碼器反饋實現閉環控製,使其具備速度環、力矩環、位置環、MIT混合控製;不僅如此,還具備過流、過壓欠壓、超速、過溫等多重保護機製,保證產品穩定可靠運行。


          2.2 主要特性

          · 低成本QDD關節

          · 中空走線*

          · 高集成度FOC驅動

          · 多圈絕對值編碼方案

          · 模塊化動力配置

          *隻有PowerFlow R86-3和R86-2采用了中空走線


          2.3 產品參數


          PowerFlow   R係列執行器性能規格表

          類型

          參數單位PFR86-3PFR86-2 PFR52

          關節性能參數

          電機極對數

          /14147

          工作電壓

          V DC15~5515~5515~55

          額定電壓

          V DC484848

          額定轉速

          rpm307050

          額定電流

          Arms10.49.81.9

          額定轉矩

          N.m60206

          峰值電流

          Arms35426.8

          峰值轉矩

          N.m2008019

          峰值轉速

          rpm85260130

          反電動勢係數

          Vrms/Krpm133.6133.6228.6

          轉矩係數

          N.m/A3.971.3661.894
          減速器參數

          減速比

          /481636

          減速器背隙

          arcmin181212
          其他

          重量

          kg1.280.810.45


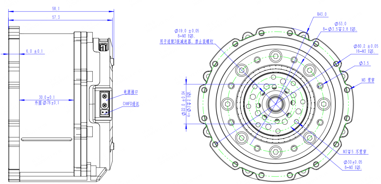
          3. 產品尺寸信息

          PowerFlow R86-3產品尺寸信息

          30.png

          PowerFlow R86-2產品尺寸信息

          31.png

          PowerFlow R52產品尺寸信息

          32.png


          4. 電氣接口互聯

          R係列三款執行器,電氣接口采用歸一化設計,三款執行器的接口引腳定義如下,

          電源CAN通訊口引腳定義:XT30(2+2)

          序號

          PIN定義

          功能描述

          1

          PGND

          總電源地

          2

          DC-BUS

          總電源輸入  48V

          3

          CAN_L

          CAN總線-

          4

          CAN_H

          CAN總線-

          3PIN燒錄口引腳定義:

          序號

          PIN定義

          功能描述

          1

          SWDIO

          燒錄數據線

          2

          SWCLK

          燒錄時鍾線

          3

          GND

          電源地



          5. CMD上位機控製方式

          下載上位機軟件REF-CLI v1.0.3.exe。

          R係列執行器基本操作所需要的命令如下:

          ref0    #查看關節固件信息  fw_version=329(v3版本);fw_version=327(v2版本)
            ref0.motor.config  #查看關節參數信息
            ref0.motor.request_state(1) #關節使能(狀態:綠燈常亮)
            ref0.motor.request_state(0) #關節失能(狀態:綠燈閃爍)
            ref0.motor.config.ctrl_mode=0/1/2/3/4/5/6 #切換不同模式,針對關節進行控製,整機使用默認模式6才可以
            # 0 電流環模式
            # 1 電流環梯形加減速模式
            # 2 速度環
            # 3 速度環梯形加減速模式
            # 4 位置環模式
            # 5 位置環梯形加減速模式
            # 6 MIT模式        
            ref0.motor.ctrl.set_vel(0)  #速度模式下,輸出轉速為0rad/s,設置為(1)為正向,設置為(-1)為反向
            ref0.motor.ctrl.set_cur(0)  #電流環模式下,輸出控製電流0A,方向設置同轉速一致
            ref0.motor.ctrl.set_pos(0)  #位置環模式下,輸出位置為0點位置
            ref0.motor.ctrl.set_mit((0),(0),(0),(0),(0))  #MIT模式下,輸出控製
            ref0.can_node_id=1  #設置關節ID號
            ref0.save_config()  #保存參數設置
            ref0.motor.apply_user_offset() #設置關節零位
            ref0.save_config()  #保存參數設置

          執行器報紅燈指南:

          ref0.motor.error_code  #查詢故障代碼
            # 0 代表無錯誤
            # 2 代表過壓
            # 4 代表欠壓
            # 8 代表超過轉速限製
            # 16 代表mos溫度超過限製
            # 32 代表過流
            # 512 代表關節未標定
            # 256 代表關節標定失敗

          出於保護使用者,執行器做了電流保護功能,輸出力矩會受到影響,如需放開限製,請輸入以下代碼操作:

          ref0.motor.config.current_limit=70    #修改線電流限製 86-2/3的閾值是70A,52-2的閾值是12A
            ref0.motor.config.protect_over_current=30    #修改母線電流限製 86-2/3的閾值是30A,52-2的閾值是8A
            ref0.save_config()  #保存以上參數設置


          6. 通信接口及協議

          PowerFlow R係列執行器支持 CANFD 通信方式,仲裁域波特率 1M,采樣點80%,數據域波特率5M,采樣點75%。


          6.1 使能 / 失能

          執行器在控製之前需要先使能,控製協議如下:

          MSG ID

          DLC

          D0

          D1

          can_node_id

          2

          Cmd

          State

          • can_node_id: 執行器的節點ID,可通過上位機進行修改

          • Cmd: 0x01

          • State: 目標狀態,00 失能,01 使能

          發送後可根據 6.1.3上行狀態中的 "State" 字段來判斷是否使能成功。


          6.2 MIT模式控製

          使用MIT模式前,需要根據上位機將執行器的控製模式切換至 "6 MIT模式",該模式可以保存,上電後自動切換。

          MIT模式控製目前隻支持在廣播模式下運行,廣播模式說明如下:

          MSG ID

          DLC

          D0 - D7

          D8 - D15

          D16 - D23

          D24 - D31

          D32 - D39

          D40 - D47

          D48 - D55

          D56 - D63

          0

          64

          id 1

          id 2

          id 3

          id 4

          id 5

          id 6

          id 7

          id 8

          廣播模式下,報文ID固定為0,數據域長度為64。

          每個節點根據其ID選用數據域中的8個字節,例如 ID為2的執行器取用的數據段為 D8 - D15。

          注:由於數據長度有限,該模式下每條總線最多串聯8個節點,ID設置的範圍為 1 - 8 。

           

          每個執行器取用廣播幀中的8個字節,定義如下:

          D0

          D1

          D2

          D3

          D4

          D5

          D6

          D7

          Pos [15:8]

          Pos [7:0]

          Vel [11:4]

          Vel [3:0] 4bit H

          Kp [11:8] 4bit L

          Kp [7:0]

          Kd[11:4]

          Kd[3:0] 4bit H

          tor[11:8] 4bit L

          tor[7:0]

          該模式下,所有的目標參數都有設定的限製範圍,在上位機中可以使用如下命令進行查看:

          ref0.motor.config.mit_params     // 打印所有MIT模式參數

          默認情況下,出廠設置為:

          型號

          Pos Max   (rad)

          Vel (rad/s)

          Tor (Nm)

          Kp

          Kd

          R86 - 3

          -6.28 ~ 6.28

          -12.56 ~ 12.56

          -100 ~ 100

           0 ~ 500

          0 ~ 8

          R86 - 2

          -6.28 ~ 6.28

          -12.56 ~ 12.56

          -100 ~ 100

           0 ~ 500

          0 ~ 8

          R52

          -6.28 ~ 6.28

          -12.56 ~ 12.56

          -50 ~ 50

           0 ~ 500

          0 ~ 8

          在下發控製報文時,需要把目標值的浮點數轉為整形填入報文,參考轉換方法如下,需要傳入範圍值與目標值,以及數據占用的位數

          int MitFloatToUint(float x, float x_min, float   x_max, int bits) {
              /// Converts a float to an unsigned   int, given range and number of bits ///
              float span = x_max - x_min;
              float offset = x_min;
              return (int)((x - offset) *   ((float)((1 << bits) - 1)) / span);
            }

          例如,目標位置值的轉換,需要按照如下方法調用,然後將轉換完成的目標值填入報文對應的字段即可。

          int pos_cmd = MitFloatToUint(target_pos, -6.28,   6.28, 16);

           


          6.3 上行狀態

          每當執行器收到一幀數據並成功解析後,會上報一幀狀態數據,具體定義如下所示:

          MSG ID

          DLC

          D0

          D1

          D2

          D3

          D4

          D5

          D6

          D7

          can_node_id

          8

          Pos [15:8]

          Pos [7:0]

          Vel [11:4]

          Vel [3:0] 4bit H

          Cur [11:8] 4bit L

          Cur [7:0]

          Error Code 4bit H

          State 3bit

          Heartbeat 1bit L

          Reserved

          •           MSG ID: 執行器的節點ID,在上位機中對應 ref0.can_node_id

          •           State: 執行器當前的狀態,00 為失能,01 為使能

          •           Hearbeat:心跳數據包,每次發送數據都會取反一次

          •           ErrorCode: 錯誤碼,對應下方表格數據取 log2

          錯誤碼

          錯誤描述

          0

          無錯誤

          0x0001

          控製模式無效

          0x0002

          過壓

          0x0004

          欠壓

          0x0008

          過速

          0x0010

          過溫

          0x0020

          過流

          0x0040

          相電阻超出範圍

          0x0080

          相電感超出範圍

          0x0100

          極對數超出範圍

          0x0200

          未校準

          上報的狀態數據中包含扭矩速度位置等信息,需要參考以下方法將整形數據從報文中取出,並轉成浮點值,使用方法和數據範圍參考6.2小節。

          float MitUintToFloat(int x_int, float x_min, float   x_max, int bits) {
              /// converts unsigned int to float,   given range and number of bits ///
              float span = x_max - x_min;
              float offset = x_min;
              return ((float)x_int) * span /   ((float)((1 << bits) - 1)) + offset;
            }

           


          7. 其他

          本手冊基於 PowerFlow R86-3 硬件 Ver3.0/Ver1.3, PowerFlow R86-2 硬件 Ver3.0/Ver1.3, PowerFlow R52 硬件 Ver3.0/Ver1.3,驅動軟件版本Ver3.2.7(V1.3硬件)以及Ver3.2.9(V3.0硬件)編寫。

          其他產品手冊中未注明事項,請查閱LEwin樂玩官網,或聯係LEwin樂玩服務人員獲取信息。


          網站地圖